News:

FORUM UPDATE:  The email problem has been fixed, and emails should now be sent out immediately instead of queuing for days.

Main Menu

Sega saturn controller completed schematic

Started by misjah, May 27, 2009, 10:04:49 PM

Previous topic - Next topic

misjah

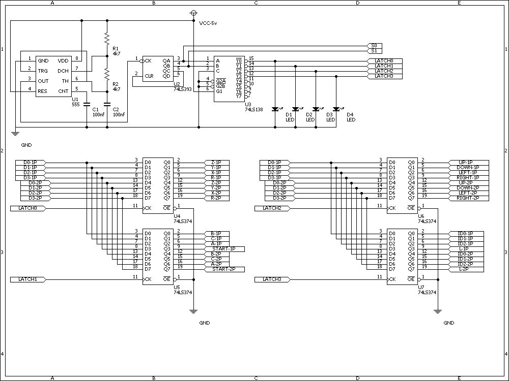
This is a corrected schematic for Saturn custom pad posted on site. Schematic is tested and working perfect. It`s pretty cheap and you can fit it in almost any controller (I`ll make psx-saturn pad). For RA1A and RA2A you can use ordinary resistors, all connected to VCC. To power up ICs, connect legs 8 to ground and legs 16 to 5V.


l_oliveira

#1
Man, your schematics sure look nice... I'd suggest that the pin 3 of U2 be connected to +5v instead of being left floating like that. The ID for the normal Saturn PAD would be 100 and if the line is left floating, the 1 would change to 000 maybe causing the Saturn software to complain about disconnected or wrong kind of pad.

Also, this schematic is so great that it gave me a idea for a SUPERGUN interface board.  Block diagram on the end of the message.

If one would want to use this custom built PAD with the circuit on  my idea you would have 3 extra button lines as the ID bits would be free to use as one wish.

Very good as you could use standard DB9 connectors and lower wire count for amazing 16 buttons on your digital PAD.

I don't like microcontrollers much so I'll make it with vanilla TTL chips.

For now I plan on using two 74LS139 to decode the controllers output, some addressable latch which I did not decide yet, an binary counter being either an 74LS74 wired as counter or an 74LS93 with an 555 as oscilator for generating addressing and 60hz sample rate.


P.S.: I just noticed that the U2 pin3 right, forget about it ... lol

misjah

Thanx, but this is not mine schematic, it`s posted in main gamesx section under controllers....
It`s incomplete and untested so I decided to build and test it, it`s working perfect with little corrections.... so all regards goes to original creators.
p.s. I also built it to test my recently ``bought`` Saturn.... too bad I don`t have any original game or chip to play some games... but it`s still nice addition to my collection.
Cheers

l_oliveira

I finished the Saturn to JAMMA adapter and it look like this...
(Actually this is my current SUPERGUN design)

There's room for improvement, I think.
I don't quite like much how I solved a timing issue (the four LEDs without load resistors on the outputs of the "address decoder") besides that this circuit works wonderfully.

The circuit samples the pads at approximately 100hz (95hz to be exact), latching each cycle simultaneously for both pads.
I tested the 3D controller and the Mission Stick (MK-80104) and these won't work. I suppose the special pads require initialization that this circuit is unable to provide.

Should the user decide to use this circuit with custom built pads the pins 1C3,2C3 from IC1 and 1C3 from IC2 can be used as extra buttons for a grand total of !!sixteen!! buttons per player out of just eight wires. 
DB9 connectors on the super gun for the win :)

For now I'll go back into playing my CPS2 Super Street Fighter X with my SEGA Saturn pads.

If anyone like this project and build one, let me know :)

NFG


ulao

#5
Where might a person get these "tc74hc153a" chips. Every place I try wants me to "call for price" that is never a good sign.  I'm interested in repairing  a few saturn pads I damaged.

I'm guessing another would work? http://www.st.com/stonline/products/literature/ds/10377/m54hc253.pdf

misjah

I believe you can use any IC of these type: 74153, 74ls153, 74hc153.... it`s very common IC and I believe every shop have it....

ulao

#7
Looking at the sheets I believe your correct thx ( order 10 for a buck not bad )

Tiido Priimägi

you should be using CMOS type chips with Sega since their stuff is in CMOS (except most MD1s and earlier machines). 74HC152, 74AC153, 74HCT153 and 74ACT153 will be good.
Mida sa loed ? Nagunii aru ei saa ;)

ulao

Just wanted to ask before I guess here, but 4.7 k on all inputs, or just the ( z, x) lines?

l_oliveira

The 4,7kilo ohm resistors are put on all inputs, to make sure they stay at logic level 1 when the button is not pressed.

So yes, all inputs need them.

ulao

#11
Thought so thx!